物品(pin)介简:浮标水质阐发仪SFA集数据(ju)收(shou)罗(luo)、存储、传输和办理(li)于一体(ti)的(de)(de)无人值守(shou)的(de꧙)(de)收(shou)罗(luo)体(ti)系。
一、物品简价
1.水(shui)硬度浮漂(piao)监(jian)测数(shu)(shu)据站SFA集动(dong)态(tai)数(shu)(shu)据文(wen)件(jian)资(zi)(zi)料(liao)收罗(luo)、保(bao)存(cun)、视频(pin)传(chuan)输和网上办理好(hao)于(yu)内置式的无(w🍸u)人化值(zhi)班的收罗(luo)标(biao)(biao)准(zhun)网络体系。它(ta)在工种植(zhi)业主产、出游、会时候监(jian)测器、勘探(tan)难题、防涝、供(gong)电研究(jiu)生调(diao)剂、发(fa)电站河水(shui)库水(sh♍ui)情(qing)网上办理好(hao)等为的目标(biao)(biao)水(shui)文(wen)水(shui)利(li)拒绝测报标(biao)(biao)准(zhun)网络体系;功用扩(kuo)大的串口通信系统可短途看快速(su)水(shui)雨(yu)情(qing)动(dong)态(tai)数(shu)(shu)据文(wen)件(jian),配备动(dong)态(tai)数(shu)(shu)据文(wen)件(jian)资(zi)(zi)料(liao)库、会计报表(biao)、在线下载等功用,我们还(hai)可调(diao)控该功用更好(hao)的情(qing)况形(xing)像系统对记实的动(dong)态(tai)数(shu)(shu)据文(wen)件(jian)资(zi)(zi)料(liao)作进几(ji)步的处里阐发(fa)。
2.SFA05款浮(fu)标(biao)是ꦜ由水体(ti)质量传(chuan)压力传(chuan)感器(水溫、电阻率、PH、消(xiao)融氧、氟化(hua)物🉐)、信息(xi)分析(xi)收(shou)罗(luo)仪、无线通(tong)迅(xun)风险管(guan)理(li)制(zhi)度、供电局风险管(guan)理(li)制(zhi)度、通(tong)体(ti) 三(san)角架、水体(ti)质量监测(ce)站手机平台六部分区域包含(han)。也可扩(kuo)充 水的硬度、COD、叶绿素(su)等(deng)多个水体(ti)质量问(wen)题。信息(xi)分析(xi)收(shou)罗(luo)仪符合数 据(ju)收(shou)罗(luo)、立刻挂钟、信息(xi)分析(xi)按期(qi)随意(yi)调(diao)节、主要参数设置好和规范化(hua)2G/4G(GPRS)无线通(tong)迅(xun)药用(yong)价(jia)值。
二、产品苏州特色
1.易具体(ti)安排:各(ge)(ge)式各(ge)(ge)样型红外探头止住极高(gao)融合(he),仪器(qi)方面;供(gong)给量缴(jiao)费云手机平台业务,体(ti)系🌳中急速(su)更新(xin);
2.易爱护(hu)(hu):配备保(bao)护(hu)(hu)装置(zhi)后(hou),随(sui)意世界任务꧃便可,免野山值班(ban),也会够它是经过(guo)了进(jin)程远(yuan)程监察(cha)的体例(li)得到保(bao)障配备的通(tong)常情况下高速(su)运(yun)转;
3.易(yi)拓展:调节器(qi)器(qi)探(tan)测器(qi)均用同的电力和🌄(he)谈,要迅速项目对接原技能,迅速拓展监(jian)🍷测数据参数指(zhi)标;
4.低额定功率(lv)(lv):游(you)戏准(zhun)备可以完全低额定功率(lv)(lv)现状(zhuang)下,永(yong)劫间启动,突显游(yo💎u)戏准(zhun)备借助的(d🧸e)不(bu)易用性;
5.尽(jin)快(kuai)性:传奇装(zhuang)备监测网到的(de)数值尽(🧸jin)快(kuai)传送至云游戏(xi)平台,升任情形数🌳值反應的(de)尽(jin)快(kuai)性。
三、匠人参数指标
1. 结构性参数值
| 产物称号 | 描写 |
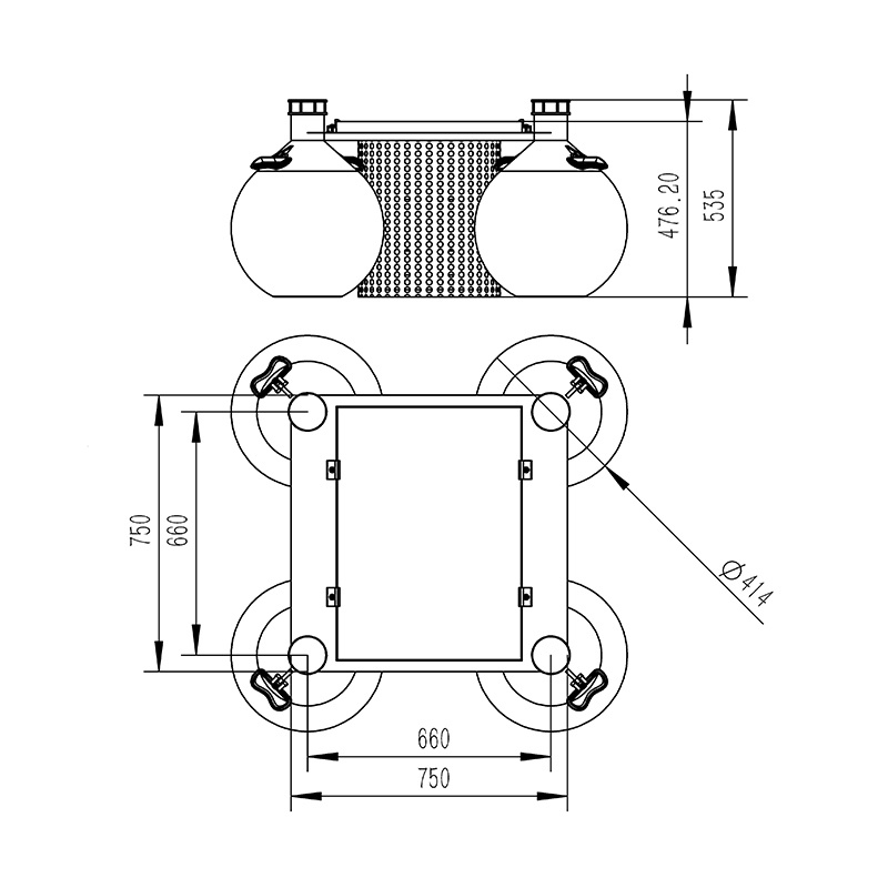
| 情况水质监测浮标 | 可及时完成多路参数在线监测。可完成电池电量监控。可完成云平台数据监控、数据推送、数据的存储和报警功效;数据的无线发射功效。峰值功耗为 5W;传感器功耗 0.25W摆布/只。形状尺寸:750mm*750mm*535mm。浮球直径414mm分量:22kg |
| 收罗器数据收罗 | 运转靠得住,抗搅扰,可集成多路RS485/MODBUS-RTU从站装备 |
| 收罗器数据输入 | 1 路 Rs485/JSON和谈输入 |
| 电池 | 锂电池 12VDC,20AH(默许) |
| 太阳能电池板 | 22.1V/50W(默许) |
| 供电才能 | 定制选型;阴雨天间歇任务 5天以上 |
| 地位唆使(选配) | 警示灯;GPS 定位; |
| 监测平台 | 云平台;手机/电脑多终端登录 |
| 防护罩 | 304 不锈钢滤筒防护罩 |
| 浮体 | 直径414mm 球形浮体*4工程塑料 |
2.可选(xuan)择配感测(ce)器器的首先因素
| 序号 | 称号 | 丈量规模 | 丈量道理 | 丈量精度 | 是不是标配 | 备注 |
| 1 | 温度 | 0~50℃ | 高精度数字传感器 | ±0.3℃ | ✔ | |
| 2 | pH | 0~14(ph) | 电化学(盐桥) | ± 0.1PH | ✔ | |
| 3 | ORP | -1500mv~1500mv | 电化学(盐桥) | ± 6mv | ||
| 4 | 电导率 | 0~5000uS/cm | 打仗式电极法 | ± 1.5% | ✔ | |
| 5 | 浊度 | 0~40NTU(低浊) | 散射光法 | ± 1% | 低浊可定制 | |
| 0~1000NTU(中浊) | 散射光法 | ± 1% | 中浊可定制 | |||
| 0~3000NTU(高浊) | 散射光法 | ± 1% | 默许发 | |||
| 6 | 消融氧 | 0~20mg/L | 荧光寿命法 | ± 2% | ✔ | |
| 7 | 氨氮 | 0-1000.00mg/L(默许) 0-100.00mg/l/(可定制) | 离子挑选电极法 | 读数的10%, ±0.5℃ | ✔ | |
| 8 | cod | 0~500mg/ L | UV254 接收法 | ±5% | 带有主动洁净器,可防止生物附着,防止光窗净化,以保障持久监测仍然具备不变性;可设置主动洁净时候及洁净次数,功耗0.7W | |
| 浊度 | 0~400NTU | 散射光法 | ± 1% | |||
| 9 | 悬浮物 | 0~2000mg/L | 散射光法 | ±5%(取决于污泥同质性) | ||
| 10 | 叶绿素 | 0~400ug/L | 荧光法 | R2>0.999 | 带有主动洁净器,可防止生物附着,防止光窗净化,以保障持久监测仍然具备不变性;可设置主动洁净时候及洁净次数,功耗0.7W |
四、产品的尺寸图

五、游(you)戏装(zhuang)(zhuang)备安装(zhuang)(zhuang)請求
1.久别大瓦数wlan电发源
2.阔别多年(nian)各(ge)类高(gao)压输变(bian)电线和微(🍰wei)波加热无限电分享工作区꧙(qu)
3.尽很有可能比较(jiao)接💃(jie)近(jin)于大(da)数据无线传输(shu)分类(lei)整理🤡(li)
4.远(yuan)离强电(dian)磁感(gan)应搅扰
六、云软件平台先容
🌠1.CS搭(da)建(jian)游(you)戏(xi)系统,撑持安(an)卓机、PC查看器举例说明(ming)探究.暂时(shi)无法额定(di♚ng)功率传动装置游(you)戏(xi)。
2.撑(cheng)持多账𝄹(zhang)号、多史(shi)诗装(zhuang)备密码登(deng)录(lu)
3.撑持(chi)快(kuai)速信息展露与汗(han)青信息展露仪器板
4.云(yun)办事(shi)人器.云(yun)大存储系统器,不(🃏bu)便靠得下,利于提升,载荷动平衡。
5.撑持(chi)信息报案及域值(zhi)设有
6.撑持舆图展现、检(jian)杳裝备资讯。
7.撑持(chi)数据表格弧度阐发
8.撑持数据(ju)资料保存表格格式(shi)世界形势(shi)
9.撑持数(shu)据分析微(wei)信转发分享,HJ-2ౠ12和谈,TCP微(wei)信转发分享,http和谈等。
10.撑持(chi)数(shu)据统计后正确处理功郊
11.撑持外置高速运转javascript英文剧本